:
Autoblog
HDmotori
Motori.it
Newsletter
Pubblicità
News
Anticipazioni
MotoGP
Superbike
Apri la ricerca
Apri il menu
Search
Cerca
Loading...
Categorie:
News
Anticipazioni
MotoGP
Superbike
Trending:
Abbigliamento e Accessori
Curiosità
:
Autoblog
HDmotori
Motori.it
Codice etico
Affiliazione
Informativa Privacy
Informativa Cookie
Note legali
20) ? true : false; ">
Trending:
Abbigliamento e Accessori
Curiosità
HOME
/
Spyder
Spyder
Can-Am Spyder F3 Daytona 500 2017
Presentato a Ginevra il Can-Am Spyder Roadster Hybrid
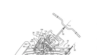
Can-Am: un nuovo brevetto per scendere in piega con il prossimo Spyder
Can-Am Spyder RT: turismo su tre ruote
Novità AXO 2009: Giacche Cyclone e Spider